수분 • 두께 • 성분 • 색 농도계 측정원리



적외선 흡수 원리

광(전자파)에 대해서
빛이나 적외선은 다양한 파장에 걸친 전자파의 일종입니다. 이 전자파는 전하 (전류)의 흐름 (진동)에 의해 그 주위에 자기장이 발생하고 자기장의 변화가 또한 새로운 전기장을 발생시키고 서로가 차례 차례로 연쇄하여 각각 직교하는 방향으로 나아가는 이동현상을 전자기파라고합니다. 
또한 전자파는 진공 상태에서 항상 1 초에 약 30만 km의 일정한 속도로 똑바로 나갑니다.
2 파장 · 진동수 · 파수 (카이저)에
전자파 (빛)는 전하의 진동으로 일어나기 때문에 그 진동을 초당 몇 번 진동 하는지를 나타낸 것이 진동수입니다. 
파장은 그 진동의 1주기의 길이를 나타내는 단위로 「 "광속 / 진동수"으로 표시됩니다. 또한 주파수(카이저)는 1cm 당 파도의 수 (진동수)에서 주파수 = 1 / 파장 (cm)로 표시됩니다. 
빛의 특성을 나타내는 경우, 파장보다 이 주파수 (카이저, cm ^ -1) 쪽이 일반적으로 많이 사용되는 것 같습니다.
3. 적외선이란
적외선은 빛의 일종이며 일반적으로 0.75 ~ 200μm 파장 범위를 갖는 빛(전자파)의 일종으로, 가시 광선보다 긴 파장을 가리 킵니다. 
또한 적외선 중 가시 광선에 가까운 0.75 ~ 3μm 부근의 빛을 더욱 근적외선라고 부르고 있습니다. (아래 그림 참조)

denjiha.gif
4. 다양한 전자파 (빛)의 특징
전자파(빛)은 파장에 따라 그 성질이 다릅니다. 일반적으로 파장이 짧을수록 에너지가 커집니다. 
파장이 긴 전파 (친밀한 TV, 라디오, 휴대 전화, 등등에 사용) 안테나 등의 금속의 전자를 흔들어 전하 (전류)을 발생시킵니다. 
그것보다 파장이 짧은 적외선은 다양한 분자를 진동시키는 일로 열을 발생시키고 또한 마이크로파는 물 분자 (H 2O)을 회전 운동합니다 (전자 레인지에 적용). 
가시 광선은 인간의 망막에서 적 · 록 · 청에 감응하는 세포를 자극(진동)시키고, 이를 통해 색상을 인식 할 수 있습니다. 
또한 파장이 짧은 자외선은 전자를 자극시켜 화학 반응 (예를 들면 자외선, 염증 등)을 일으키는 X 선은 물질의 투과가 강하게 (방사선 등에 사용), 또한 기체의 이온화 광전 효과, 화학 반응, 생체 조직 변질 화 등을 일으 킵니다. 
또한 파장이 짧은 γ (감마) 선은 X 선보다 강한 투과 특성을 가지고 원자의 이온화 2 차 전자의 방출 등을 일으 킵니다.
5. 빛의 발생
① 열에 의한 발생
물체의 온도에 분자나 원자가 진동하는 일로 전하가 진동하여 전자파가 발생합니다. 600 ℃ 이하는 적외선, 그 이상은 가시 광선 (온도가 높을수록 빨강, 주황, 노랑, 흰색으로 변화)이 발생합니다.
② 원자의 전자 궤도 변동에 따라 발생하며 원자 내의 전자의 궤도 위치의 변화으로 가시 광선이나 자외선이 발생합니다.
원자 내에서 해당 원소에 따라 정해진 수의 전자가 정해진 궤도를 운동하고 있습니다만, 외부 자극 (자외선, X 선, 플라즈마 등)에 의해 전자가 아래 (안쪽)의 궤도에서 위 궤도 (외부)로 이동 후 다시 원래 아래의 궤도 (안쪽)에 이동 때 에너지를 방출합니다. 이것이 빛 (자외선)입니다. 이것은 예를 들어 불꽃 놀이 (금속의 불꽃 반응) 나, 오로라, 형광등 등이 빛입니다.
6. 적외선 흡수 원리
앞에서는 빛의 발생에 대해 설명하였지만 이와는 반대로 분자와 원자에 전자파가 닿으면 그 반대의 현상이 발생합니다.
물질을 구성하는 분자는 고유의 분자운 (진동)을 실시하고, 특정 파장의 적외선이 닿으면 그 빛을 흡수하여 분자의 진동 에너지가 레벨업 됩니다. 이 때 흡수 에너지는 E = hν로 표시됩니다 (h = 플랑크 상수, ν = 빛의 진동수).
이 현상은 주로 분자를 구성하는 원자의 진동에 의해 발생합니다.
다음은 분자모델의 몇 가지 예를 보여줍니다.
① 신축 진동에 <흡수에 의한 에너지 흥분> <물 분자 모델의 신축 진동 흡수> 물 분자 모델, 산소 O와 수소 H 사이의 진동 (신축 진동)에 동일한 주파수의 적외선이 닿으면 그 적외선은 흡수되고 여기 에너지로 변환됩니다 이때의 흡수는 1.43μm, 1.94μm, 3μm 등에 나타납니다. 이것은 소리의 배음과 마찬가지로 파장 (진동수)에 따라 여러 나타나 일반적으로 파장이 장파장으로됨에 따라 흡수는 강해집니다.



적외선 흡수 원리 2
마찬가지로 「C-H 기반」의 경우도 C와 H의 신축 진동 주파수가 동일한 적외선을 흡수합니다. <흡수에 의한 에너지 > 이때의 흡수는 1.7μm, 2.3μm, 3.4μm 등 배음에 나타납니다. 또한 신축 진동은 대상 신축 (예 : CO2는 C ← O → C 방향의 진동)과 역 대상 신축 (C → O → C 방향의 진동)이 있고, 반대로 대상 신축은 쌍극자 능률의 변화가 (비대칭에 의한 주기성이있는) 이동에서 적외선 흡수가 일어나지 만 대상 신축 진동이 대상이며 쌍극자 능률의 변화가 없기 때문에 흡수를 일으키지 않습니다. 또한 신축 진동이 후에 설명하는 다른 진동 (변각 진동이나 골격 진동)보다 강한 흡수 특성을 가지고 있습니다. ② 변각 진동 이 밖에도 변각 진동라는 예를 들어 수소 H끼리의 진동도 있습니다.


이 변각 진동의 흡수는 7.3μm에 나타며 신축 진동 흡수에 비하면 약하게 흡수합니다. 또한 변각 진동은 세세하게 분류하면 "면내 (가위) 변각」 「면내 (좌우 흔들림)」 「면외 (세로 유레)」 「면외 (히 네리)」등이 있습니다. ③骨骼진동 분자 자체가 진동 발생원을 骨骼진동 말합니다. 이 진동도 그 진동수에 따라 고유의 적외선을 흡수합니다. 이骨骼진동은 분자의 원자의 진동에 영향을받는 것이 있고 또한 骨骼진동이 반대로 원자의 진동에 영향을 그 흡수 파장이 어긋나는 요인이되는 등 실제 적외선 흡수는 복잡한 특성을 나타내는 경우가 많습니다.

수분·두께계의 측정 원리에 대해서

다 성분 분석기의 측정 원리에 대해
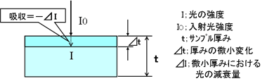
1. 분광 특성 그래프와 흡수 강도 (런 벨트 베일의 법칙)則)
앞에서 언급한 바와 같이 특정 파장의 적외선이 분자(원자)에 흡수되는 특성을 가지고 있습니다. 이 파장은 그 분자를 구성하는 원자와 그 결합 상태에 의해 흡수되는 파장이 달라집니다. 
아래 그래프는 적외선의 흡수 (투과율)를 세로축에 파장 (μm)을 가로축으로 하여 나타낸 분광 특성 그래프의 예입니다. 물 흡수 특성이나 솔벤트, 필름, 기름 등 각기 다른 투과 특성을 나타냅니다.
또한 흡수 특성은 그 물질의 양 (두께)에 따라 흡수가 강해집니다. 이것은 요추 (람 베르트) 베일의 법칙으로 다음 식으로 표시됩니다.   감쇠 ⊿ I =-α · I · ⊿ t (α; 흡수 계수, 물질 파장에 따라 일정)    → dI =-α · I · dt 양변을 t로 적분 (t = 0 ~ t) 적외선 강도 I = I0 · e ^ (-α · t) 치노의 적외선 다 성분계이 적외선이 물질 (작용기)에 특정 파장을 흡수하는 특성 및 그 양 (두께)에 따라 흡수량이 변화를 통해 하고 물질의 각 성분의 양을 측정하고 있습니다.

예을들어

分光特性グラフの一例
물의 흡수특성이나 용제, Film, 기름 등 각각 다른 흡수특성은 그 물질의 양(두께)에 따라 흡수가 커지게 된다.
이것은 런벨트의 법칙으로 다음과 같이 나타낼수 있다.


감쇄량⊿I=-α・I・⊿t  (α;흡수계수,물질,파장으로 결정되는 정수)
→  dI=-α・I・dt 양변을 적분(t=0~t) 
적외선의 강도 I=I0・e^(-α・t)


CHINO의 적외선 다성분계은 이 적외선이 물질에 고유의 파장을 흡수하는 특성 및 그 양(두께)에 따라 흡수량이 변하는 것을 이용하여 물질중에 각 성분량을 계측하고 있다.
센서 내부 구조
다 성분계의 내부 구성은 다음과 같습니다. 광원 램프로부터 조사된 광은 광학 필터를 통과 특정 파장만 선별 된 물질에 조사됩니다.
조사된 적외선은 측정 대상 (작용기)의 진동에 의해 흡수되어 감쇠된 반사광을 오목 거울에서 다시 집광하여 수광 소자에 입사됩니다. 또한 광학 필터는 모터로 회전하고 다른 파장 적외선을 간헐적 (펄스)로 조사하여 수광 한 적외선 감지 소자에서 전기 신호로 변환되어 각 파장 데이터를 디지털화하여 흡광도 신호를 출력합니다. * 검출 소자는 파장 영역으로 구분됩니다.  
0.3 ~ 1.1μm · · · · · Si 포토 다이오드  1.2 ~ 3μm · · · · PbS  1.2 ~ 4.8μm · · PbSe

흡광도 연산에 대해
우리의 다 성분계의 흡광도 출력은 주로 다음과 같이 출력이됩니다.
① 2 파장 비율 연산
흡수 파장 λs 비교 파장 λr (흡수가 적은 기준 파장)의 2 파장에서  흡광도 X = K1-λs/λr  K1; 규격화 상수 (≒ 1)
② 3 파장 비율 연산
흡수 파장 λs 비교 파장을 λr1, λr2의 2 파장 사용  흡광도 X = K1-λs / (α · λr1 + (1-α) · λr2)  k1; 규격화 상수 (≒ 1), α; 파장 가중치 상수 (0 <α<1)
③ 다중 회귀 연산
탑재하고있는 적외선의 각 파장 λ1 ~ λn로 흡수 특성이 지수가되기 때문에 각 파장 데이터의 로그를 취 아래의 식으로 연산  성분 값 Y = a0 + a1 · Log (λ1) + a2 · Log (λ2 ) + · · · an · Log (λn)  (수분, 두께, 용제 · · etc)
①의 2 파장 비율 연산은 흡수량을 기준이되는 파장의 비율을 취하는 것으로, 외란 요소가되는 외래광 · 측정거리, 분진, 표면 상태의 변화 등의 광량의 절대 값 변동되는 외란을 가급적 줄일 수있는 이점이 있습니다.
또한 ②의 3 파장 비율 연산은 2 파장의 발전형으로 전체 샘플의 표면 상태나 색, 함유 성분 비율 등의 차이 (당사에서는 전반적인 시세의 차이라고 칭하고있다)에 강한 장점이 있습니다. 이 비율 연산에 의한 흡광도 연산 방법은 또한이 흡광도를 이용하여 검량선을 작성하고 요구하는 성분값을 계산합니다.

③의 다중 회귀 연산은 이 식의 계수를 결정하면 직접 물어 성분값을 출력 할 수 있습니다. 이 중 회귀 연산은 요청 성분이 하나의 변동량 (1 개의 흡수 파장)만으로 표현되지 않고, 여러 (다 성분의 흡수 파장)의 영향을받는 (서로 간섭하는 경우) 각 요소 (파장 데이터)를 도입하여 구하는 방법으로 일반적으로 다변량를 취급하는 경우 통계 수학 처리 등에 사용되는 연산 방식입니다. 이 중 회귀 연산의 계수를 구하는에는 실측 수치를 적용하여 연립 정규 방정식의 형태로 구할 것입니다. 또한 여러 성분을 동시에 측정 할 때이 중 회귀 연산 계수를 성분별로 적용하는 것으로, 동시 다 성분 측정이 가능합니다.
검량선 내용
3 항의 ①, ②에서 구한 2 (수분 %, 두께 μ 용매 % · · etc)의 변화에 따라 증감하는 변수이며, 요구 성분량이 없습니다. 이 흡광도 값을 구할 성분량하기 위해 검량선이 필요 해지고 있습니다. 검량선은 미리 측정 대상의 샘플 측정 범위에서 무엇 수준 또는 흔들어 다 성분 센서에서 계측하고 그 흡광도 값 (X 값)과 실측 데이터에서 최소 자승법 (오차가 가지고 작 되는 회귀 식을 구하는 방법)에서 구한 식입니다. <검량선 데이터> 검량선은 기본적으로 품종 (종목)별로 작성합니다. 만든 검량선은 본 센서에 Max99 개까지 저장할 수 품종이 바뀔 때마다 전환 (CH.No 전환)라고 사용합니다. * 회귀 연산 식, 표준 편차, 상관 계수를 구하는 방법에 대한 링크

참고 자료 1. 검량선 데이터와 요추 (람 베르트) 베일의 법칙에 근거 흡광도 값과의 관계,
전항의 검량선 데이터는 실측치 Y과 2 (3) 파장 비율 계산에서 구한 흡광도 X 값과 수식을 1 ~ 3 차 다항식 식으로 요구하고 있습니다. 반면 요추 (람 베르트) 베일의 법칙에서는 Log 로그 연산 (두께 t에서 뗄 때에, t = - (1 / α) · Log (I) + β)에서 흡광도를 구하는 식으로되어 있습니다 . 다음으로 두께 측정시를 예로 요추 (람 베르트) 베일의 법칙에 근거 이론식에서 구한 흡광도와 당사에서 사용하고있는 "2 파장 비율 연산"을 사용 2 차 또는 3 차 회귀 연산 한 경우의 관계를 아래 그래프에서 보여줍니다. 이 모델 예제의 그림의 빨간색 화살표가 이론식의 오차를 나타냅니다. 그러나 실제로는 측정 범위가 품종 (로트)에 대해 어느 정도 정해져있어 그 범위에 곱게 회귀 연산을 실시하는 것으로, 사용상 문제가되지 않는 정도까지 오차를 줄일 수 있습니다. 또한 다중 회귀 연산은 각 파장 데이터의 로그를 취 (Logλn) 연산하고, 이론 식과 같은 연산 방법을 실시하고 있기 때문에,보다 회귀 연산 정밀도는 향상됩니다.
참고 자료 2. 스무딩 연산에 대해
우리의 다 성분계 온라인 측정에 주로 사용되지만 온라인에서는 수많은 외란 외래 광 · 측정 거리 빛 거리의 분진 표면 상태의 변화, 등에 의해 측정 데이터가 휘청 거리는 원인이됩니다. 따라서 우리는 다음과 같은 연산 처리를 실시해, 이러한 외란을 제거 안정된 측정을 가능하게하고 있습니다.

참고 자료 3. 매끄럽게 표시 내용

가시광, 자외선의 흡수를 사용한 계측에 대해서

1.가시 · 자외선을 사용하는 센서에 대해
당사의 센서로는 자외선 ~ 가시 영역 (200 ~ 800nm)의 빛을 연속 분광하여 각종 성분을 인라인 즉시 측정 "자외선 · 가시 분광 성분계"가 있습니다.
이 센서는 자외선 발광 용 중수소 램프 및 가시 광선 램프를 탑재하고 섬유를 통해 측정 대상에 조사하여 그 반사광을 다시 파이버를 통해 집광 빛을 연속 분광 1 차원 CCD 소자 에서 파장마다 흡광도를 측정합니다.
측정 응답 속도가 빠른 사양이되고있어 인라인 측정이 가능 해지고 있습니다.
※ 자외선 · 가시 분광 성분계의 내부 구조 1
가시 · 자외선의 특징
빛의 발생에 대해
물체의 온도에 분자 나 원자가 진동하는 것으로 전하가 진동하고 밖으로 전자파가 발생합니다. 600 ℃ 이하는 적외선, 그 이상은 가시 광선 (온도가 높을수록 빨강, 주황, 노랑, 흰색으로 변화)가 발생합니다.
원자 내의 전자의 궤도 변화로 인한 발생 적외선의 흡수는 전항에 나타낸 바와 같이 원자와 분자의 진동의 공진에 의해 흡수가 발생하지만 그보다 짧은 가시 광선, 자외선은 원자 내의 전자의 궤도 위치의 변화에서 가시 광선이나 자외선이 발생합니다.
원자 내에서 그 원소에 따라 정해진 수의 전자가 정해진 궤도를 운동하고 있지만, 외부 자극 (자외선, X 선, 플라즈마 등)에 의해 전자가 아래 (내부)의 궤도에서 위 궤도 (외부)로 옮겼다 (여기 한) 후 다시 원래의 아래 궤도 (안쪽)으로 이동 때 에너지를 방출합니다. 이것이 빛 (자외선)입니다. 이것은 예를 들어 불꽃 놀이 (금속의 불꽃 반응)과, 오로라, 형광등 등이 빛입니다.
원자의 구조 (전자 배열에 대해)
원자핵, 전자 궤도의 에너지 전환에 대해 먼저 원자의 구조 (전자 배열)에 대해 설명한다.
아래 그림과 같이 원자핵 주위에 전자 궤도가있다. 이 전자 궤도는 안쪽에서 K 껍질, L 껍질, M 껍질, N 껍질, ...라는 궤도의 종류가 있으며, 각각의 껍질에 들어가는 전자의 최대 수는 정해져있다.

※ 전자 궤도에 대해서는 실제로는 그림과 같은 원형을 그리는 궤도가 아니라 양자 역학에 따라 그 순위 수준에 전자가 존재할 확률이 높다는 것을 나타내고있는 구름 모양과 같은 것이며, 전자 자체 위치를 특정 할 수 없다.

전자 궤도 대해
전자 껍질 외에 전자 궤도의 모양이 다른 몇 가지 패턴이있다. 이것은 전자가 원자핵을 중심으로 운동하는 궤도 (위치, 분포)의 것이고 전자 궤도라고하며, 위의 그림과 같은 몇 가지 궤도로 구분된다. (슈뢰딩거의 파동 방정식)

s 궤도
각 전자 껍질에 1 개씩 존재 원자핵을 중심 구형에 전자가 분포되는 궤도 (1s, 2s, 3s, ...) 하나의 s 궤도는 전자의 회전이 반대의 경우도 함께 2 개의 전자가 존재할 수있다. (폴리 독점적 율)
p 궤도 ; L
껍질 이후에 존재 원자핵을 중심으로 8 자형 (표주박 모양)에 분포하는 궤도 (2p, 3p, ...) X, Y, Z 축 방향으로 3 개의 배위의 궤도가 존재하는 전자의 역 회전 맞게 최대 6 개까지 전자가 존재할 수있다.

빛의 반사, 간섭에 대해서

1. 박막 측정 내용
빛은 박막을 투과, 반사 할 때 그 표면 반사와 뒷면의 반사가 서로 간섭하는 현상이 일어나고 있습니다. 이것은 친밀하고 얇은 유막과 비눗 방울 구슬이 무지개 빛으로 보이는 현상과 동일합니다.
적외선도 같고, 근적외선 (0.7 ~ 3μm)에서는 일반적으로 15μm 이하의 얇은 영역이되면 근적외선은 필름이나 도공 막의 표면 반사 뒷면 (경계면) 반사광이 그 광로 길이 차이에 의한 빛의 위상차에서 서로 간섭하는 현상을 볼 수 있습니다.
* 그러나 반드시 간섭이 나오는 것이 아니라, 표면 상태가 산란면 (미세한 요철 상태) 등에서는 반사광이 산란되어 그 때문에 간섭 현상이 나오지 않습니다.

이 빛 간섭 모델 다이어그램은 다음과 같습니다.
2. P 편광 방식
전항에서 언급 한 박막을 측정 할 때 발생하는 광 간섭을 방지하려면 다음과 같은 P 편광 방식이 있습니다.
이 방식은 측정 광로 중에 편광 필터 ( * 1 )를 넣어 빛의 편광 성분 P 파 (종파) ( * 2 )와 S 파 (횡파) 중 P 파만을 꺼내 조사함으로써 표면 반사를 컷 할 수 있으며, 따라서 광 간섭을 제거 할 수있는 방식입니다.
* 1 : 빛은 전에 언급 한 바와 같이 전자파의 일종으로, 전자파는 전하 (전류)의 흐름 (변화)에 의해 전화 (자기장)이 생깁니다.
따라서이 전하 (전류)의 흐름 방향에 빛이 진동하고 있다고 말할 수 있습니다.
이 진동 방향은 보통의 빛은 여러 방향이 서로 겹쳐 전반적으로 무 편광 상태가되고 있습니다
이 무 편광의 빛에서 단방향 빛만을 꺼내는 것이 편광 필터입니다. 편광 필터는 미시적으로 세세한 슬릿이 같은 방향으로 일정한 간격으로 늘어선 것으로, 이것을 통과 할 때 빛은 그 방향의 진동 성분 만 투과 편광 성분을 추출 할 수 있습니다.
* 2 : P 파와는 Parallel polarization (평행 파)의 의미로 조사면에 평행 한 빛 (아래 그림에서는 종파)의 일을 가리 킵니다 광 간섭을 제거하는 방식이 P 편광의 빛 입사 각도와 반사율의 특성을 이용하여 간섭을 제거 가능합니다.
(아래 그래프 참조) 이 그림을 보면, P 파의 반사율이 특정 각도에서 0 %로되어있는 것을 알 수 있습니다. 이 각도는 편 광각 (브 스타 각도)이라고하며 다음 식으로 표시됩니다.
편 광각 θ = tan-1 (n/n0) (n0 = 공기의 굴절률 n은 측정 물의 굴절률) 이 편광 각도는 고분자의 경우 일반적으로 57 ~ 58 °가되며,이 각도에서 빛을 던지는 빛하면 표면 반사가 없어지는 것에서 광 간섭없이 측정이 가능합니다.
우리의 극박 용 두께 측정기 (IRMT 시리즈)이 P 편광 방식을 채용하는 것으로, 박막 재료 (두께 등)을 광 간섭의 영향을받지 않고 정밀한 측정을 실현 하고 있습니다.

색(Color) 계측에 대해서

1. 색상 정의
가시 광선은 앞에서도 언급 한 바와 같이 0.4 ~ 0.7μm의 파장을 가진 전자파의 일종입니다. 보통의 빛 (태양 광 조명) 등이 파장 범위에 걸쳐 연속적인 파장을 가진 전자파 (빛)는 무색 투명한 빛입니다. 
가시 광선은 파장에 따라 색의 분포를 가지고 있습니다. 실제로 사람이 색을 느끼는 것은, 파장 분포를 가진 가시 광선이 눈의 망막에있는 빨강 파랑 녹색의 3 가지 빛에 반응하는 자극을 뇌에 보내고 그것을 뇌가 색으로 인식하여 색을 감지합니다. 이 망막에서 나오는 빨강 파랑 녹색의 3 개의 자극 값을 3 자극 값 "X (λ), Y (λ), Z (λ)"라고합니다. 또한 X, Y 및 Z와 파장의 관계를 나타낸 것을 "등색 함수"라고 말합니다.
2. 삼자 극치와 등색 함수
아래에 사람의 눈에感能하는 분광 감도 그래프 (등색 함수 그래프)를 보여줍니다. 이 가운데의 X (λ)은 빨강을 느끼는 정도를 나타내며 Y (λ)는 녹색을 Z (λ)은 파랑을 느끼는 정도를 보여줍니다. 
실제로 사람이 느끼는이 3 자극 값은 물체에서 반사 (또는 투과)하여 들어오는 색의 파장 분포를 가진 (색상 특성을 가진) 빛과이 등색 함수의 적분 값 (파장 마다 X (λ), Y (λ), Z (λ)과의 곱을 합한 값)에 의해, 색을 느낄 수 있습니다. 
>
>3. 모니터 RGB 값과 삼자 극치에 관계
이전 페이지의 등색 함수 그래프를 보면 알 수 있듯이, 사람이 느끼는 빨강, 녹색, 파랑은 일반적으로 알려져있는 RGB 파장 영역 (R = 400 ~ 500nm, G = 500 ~ 600nm, B = 600 ~ 700nm)과는 달리, 각각 서로의 파장 영역이 겹쳐도 방해 서로 있습니다. 
따라서 색차 (Color) 측정기의 측정 데이터를 예를 들어 모니터에 표시 할 때 모니터의 RGB 값 (R = 0 ~ 255, G = 0 ~ 255, B = 0 ~ 255)로 변환하는 연산이 필요 해지고 있습니다. 
이 변환식은 다음과 같습니다.
  • R=Rr・λ1-Rg・λ2-Rb・λ3
  • G=-Gr・λ1+Gg・λ2+Gb・λ3
  • B=Br・λ1-Bg・λ2+Bb・λ3
λ1 ~ λ3 ... 色色差 (Color) 측정기에 사용되는 파장 필터의 측정
    >
  • λ1 · R 필터 파장 데이터 (0 ~ 1.000))
  • (λ2 · G 필터 파장 데이터 (0 ~ 1.000))
  • (λ3 · B 필터 파장 데이터 (0 ~ 1.000))
또는 저희 색상 색차 (Color) 계 (가시 · 적외선 하이브리드 형 센서)의 RGB 필터 특성, 광원 램프 특성, 수광 소자 감도 소자 전에 컷 필터 다른 광학 특성을 적용했을 때의 보정 매개 변수 이 Rr ~ Bb의 각 계수에 통합함으로써보다 사람의 색상 감도 특성에 접근 할 수있게되어 있습니다.
센서 광학 특성 보정 후의 RGB 연산 식
    >
  • R’=Rr’・λ1-Rg’・λ2-Rb’・λ3  
  • G’=-Gr’・λ1+Gg’・λ2+Gb’・λ3  
  • B’=Br’・λ1-Bg’・λ2+Bb’・λ3

이 매개 변수 (9 상수) 내용은 더 색상을 접근하기 위해, 몇 가지 패턴을 가지고 있지만, 지금까지의 테스트 데이터에서 여러 가지 매개 변수를 전환함으로써보다 사람의 감각에 가까운 색을 재현 할 수 있습니다。
>다양한 「색」의 표시 방법 · 표색계의 종류에 대해
XYZ 표색계
물체에서 반사 (또는 투과)하여 들어오는 빛을봤을 때 눈 속의 망막에있는 빨강 파랑 녹색의 3 가지 빛에 반응하는 세포가 반응하여 그 신호 (자극)을 뇌 에 보내고 그것을 뇌가 색으로 인식하여 색상을 감지합니다.
이 망막에서 나오는 빨강 파랑 녹색의 3 자극치를 3 자극 값 'X (λ), Y (λ), Z (λ) "라고하며,이 X, Y, Z와 파장의 관계를 나타낸 물건을 "등색 함수"라고 말합니다。

RGB 표색계
RGB는 모니터 표색계라고도 주로 모니터의 색상 표시에 사용되고 있습니다. 
색의 3 위안 색상으로 R (빨강), G (녹색), B (파랑)이 있고, 각각 「0 ~ 255」계조로 농도를 나타냅니다. 
따라서, 그 RGB의 조합은 총 256 ^ 3 = 16,777,216 가지 색상을 표현할 수 있습니다.

L * a * b * 표색계 (CIE1976L * a * b * 색 공간,
일본의 산업 분야에서 색채 관리의 색차 측정에 가장 널리 이용되고있는 것이 L * a * b * 표색계입니다 。

  • L * 값; 밝기 (명도)의 표시 L = 0 (검정) ~ 100 (흰색)
  • a * 값; 빨강 계열 ↔ 녹색 계열의 색상 변화보기 a 값 = - 사이드 (녹색) ~ + 쪽 (빨간색)
  • b * 값; 블루 계 ↔ 노랑 계열의 색상의 변화 표시 b 값 = - 측면 (파랑) ~ + (노랑)
또한이 외에도 L * a * b * 표색계보다 이전 인 1948 년에 사냥꾼이 제안한 '헌터 Lab」도 일반적으로 사용됩니다.

※ 색상 차이에 대해 
있는 기준과 표준 색과 비교하는 측정 대상의 색 (컬러)의 색의 차이 (색차)를 나타내는 방법으로 L 값, a 값, b 값의 각 차이 (⊿L, ⊿a, ⊿b)의 제곱 평균을 구하고, 그것을 색차 (= ⊿E)로 나타냅니다. 
이것은 Lab의 각 값을 3 차원 좌표 공간으로 간주했을 때 (x, y, z → L, a, b)의 표준 색 좌표 (L, a, b)와 비교하는 색 좌표 (L ', a', b ')의 두 점 사이의 거리 (L)를, 색상 차이 2 색깔 사이의 색차 (= ⊿E)로 정의한 것입니다. 
이 색차 ⊿E을 관리 지표로하여 각 산업 분야에서 색차 관리의 수치 화가 진행되어, 기준 색과의 비교 판정이 가능하며, 품질 향상으로 이어지고 있습니다.

로비본도 표색계

로비본도 표 색상은 식품 유지류와 화학 공장에서 화학 제품, 석유 제품 등의 많은 시장에서 사용되고 있으며 주로 액체의 색상 관리로 오래전부터 가지고있을 수 있습니다. 샘플 액을 전용 유리 셀에 넣어 장치에 넣고 전용 컬러 필터와 샘플 시료의 색을 육안으로 비교하여 외형 색이되도록 노란색 Y와 적색 R 필터를 각각 수동으로 전환 색 를 측정합니다.
컬러 필터 조합 예
  • Y = 0.1 ~ 99.9 (밝은 노랑 ~ 코키)
  • Y (0 자릿수); 0.1 ~ 0.9 (9 색)
  • Y (1 자리); 1 ~ 9 (9 색)
  • Y (10 자리); 10 ~ 90 (9 색)
→ Y = 9 ^ 3 = 729 색
  • R = 0.1 ~ 99.9 (붉은 색 - 진한 빨강)
  • R (0 자릿수); 0.1 ~ 0.9 (9 색)
  • R (1 자리); 1 ~ 9 (9 색)
→YR 혼합 색깔 = 729 × 81 = 59,049 색 당사 색차 계에서 로비본도 측정에 사용되는 색 범위의 모든 필터의 조합 데이터를 데이터베이스 화하여 필터 측정 데이터와 사람의 색깔을 느낄 특성을 일치시킴으로써 로비본도 색상 측정을 실현시켜 있습니다。
R 필터 특성 그래프를 보면 필터의 전환마다 측정 데이터가 크게 변동 불연속 특성이 있습니다. 이것은 각 필터 단체 및 그 조합 매수에 의해 빛의 투과율이 변화 해 버리는 때문에 발생합니다. 
그러나 한편 사람의 눈으로 측정 한 경우, 사람의 눈은 자동으로 밝기를 보정하는 기능이 작용하기 때문에 위화감없이 (불연속은 느끼지 않고) 측정하고 있습니다.
따라서,이 상태로는 사람의 감각과 측정 데이터는 일치하지 않고 측정 오차를 유발할 수 있습니다. 
이 대책으로서 빛의 투과율 (밝기)의 변화를 특수 연산 알고리즘을 사용하여 크게 줄일 수 있으며, 로비 본드 필터 전용 검량선 작성이 가능하며, 로비 본드 컬러의 자동 측정을 할 수 있도록 되었습니다.
가시 (색깔) 측정과 적외선 성분의 복합 하이브리드 측정
가시 · 적외선 하이브리드 형성 분 계는 가시 색차 측정과 적외선 성분 측정을 동시에 수행 센서입니다. 
광원 램프에서 나오는 빛을 가시 RGB 필터와 적외선 성분 필터를 고속으로 회전시켜 전환 측정 대상 시료에 조사하여 그 반사광을 파악 측정합니다. 
가시 광선, 적외선을 측정하는 검출 소자는 가시 광선의 Si 광전 소자와 붉은 외용 PbS 또는 PbSe 등의 광 도전 소자가 하나의 패키지에 장착 한 하이브리드 (복합) 소자를 사용하여 각각의 빛을 감지하여 프리 앰프에서 파형 증폭 신호 처리에서 연산 · 출력합니다.
측정 예의 소개
1.필름의 색상 측정과 도공 제 잔류 성분 농도 측정
필름 생산 라인에서 건조 직후의 각종 성분 (두께, 수분, 잔류 용매 등), 적외선 흡광도에 따라 최대 3 성분 측정, 동시에 필름의 색상, 투명도를 가시 광선을 사용하여 실시간으로 측정하고 품질 관리, 제조 조건의 최적화를 실시합니다.
2.. 액체의 색차 측정과 성분 농도 측정
각종 액체의 바이 패스 배관에 액체 측정 용 셀을 설치하고 가시 광선에 의한 액체의 색상 차이, 색 농도 및 적외선 흡광도에 의한 액체 성분 농도를 동시에 실시간으로 측정합니다.
식품 제조 라인에서, 로비 본드 색상, Lab 색차 LCD와 반도체 생산 라인의 식각액, 박리 액, 세정액 등의 약액 성분 농도 나 먼지 (탁도)를 실시간으로 측정, 품질 관리, 안전 관리 ( 화재 방지), 조업 조건 관리 (액체의 오염 모니터링 액 교환의 최적화) 등을 수행합니다.
3.파우더 색상 차이 적외선 성분 농도 측정
식품과 화학, 모래, 자갈 등 모든 분체의 색 (컬러) 적외선 성분을 측정합니다. 
가시 광선에 의한 각종 색차 (Lab)의 측정 모니터링하여 그 혼합 배합 비율 등의 조업 조건 관리를 실시간으로 수행 기준 색 관리의 최적화가 가능합니다. 
또한 예를 들어 식품에서 수분, 지방, 단백질 등의 성분 농도, 화학에서는 수분이나 잔류 용제 다른 오염 성분 농도 측정 등을 적외선 흡광도에서 측정 가시 색상 측정과 동시에 여러 측정을 실시간으로 할 수 가능합니다.

트래버스 시스템

트래버스 장치

시스템 흐름도